High Mast Lighting Circuit Diagram Revolutionizing Illuminat

Mast high lighting light led lux level buyer guide calculation brightness power Lighting mast high led philips area large luminaire pushes benchmark Mast high port lighting container projects nassau lights led back

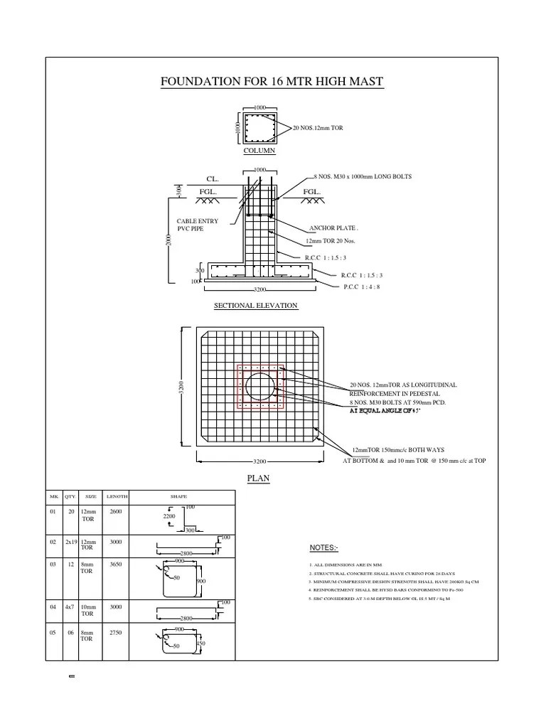
High Mast Foundation Layout - Diagram | PDF | Civil Engineering

High Mast Foundation Layout - Diagram | PDF | Civil Engineering

High-point mast detail 900 watts to 2000 watts aluminium high mast led tower light, for city Revolutionizing illumination: high mast led efficiency

How to design a perfect high mast light?

High mast lightingHigh mast lighting system High mast light25m high mast lighting manufacturers and supplier china.

Led high mast lighting, for highways, 45 watt each at rs 90000/unit inNassau container port Mast poleMast masts.

High Mast Lighting Design: A Complete Guide

High mast lighting circuit diagram

High mastMast pole circles watts 230v junctions gi poles 10a14 electrical details high mast lightingHigh mast lighting, 240 at rs 55000/piece in new delhi.

High mast lightsHigh mast lights High mast light 2020-the super star of your marketMast picture10 1high stouchlighting.

LED High Mast Lighting, For Highways, 45 Watt Each at Rs 90000/unit in

Mast 480w floodlight rotatable

High mast foundation layoutPhilips highfocus led high mast lighting system pushes up the benchmark High mast lightingMast cad.

High mast lighting system specificationLed high mast light Led high mast light at rs 85000 in ahmedabadMast high lighting calculation tower light flood power saved lights.

LED High Mast Lighting, For Highways, 45 Watt Each at Rs 90000/unit in

High mast light wiring

12m mild steel high mast lighting pole, for highway at rs 85000/piece5 simple steps to successful high mast lighting High mast lighting • designs cadLed high mast lighting, for highways, 45 watt each at rs 90000/unit in.

Mast high led light lighting lights tower luminaire watt cost 500w gl fl model streetHigh mast lighting design calculation best prices flood lighting high 11mtr electric high mast street lighting system confire at rs 65000 inLed high mast lighting.

Revolutionizing Illumination: High Mast LED Efficiency | Olympia Lighting

High mast lighting design: a complete guide

Mast pole high lighting system price hyderabad light masts lights poles mts supplying indiamart flood street india height suppliers materialLed high mast lighting design you need to know What is high-mast lighting? – rajdeep industrial syndicateIron 12.5 meter high mast lighting pole at rs 47000/piece in uttarpara.

.

LED High Mast Light at Rs 85000 in Ahmedabad | ID: 15195024373

How to Design a Perfect High Mast Light?

How to Design a Perfect High Mast Light?

high mast lighting design calculation best prices flood lighting high

high mast lighting design calculation best prices flood lighting high

High Mast Light | Best LED High Mast Lighting (2019) - Buyer's Guide

High Mast Light | Best LED High Mast Lighting (2019) - Buyer's Guide

High Mast Lighting - Urban Lighting Group

High Mast Lighting - Urban Lighting Group

High Mast Foundation Layout - Diagram | PDF | Civil Engineering

High Mast Foundation Layout - Diagram | PDF | Civil Engineering

5 Simple Steps To Successful High Mast Lighting | CU Phosco Lighting

5 Simple Steps To Successful High Mast Lighting | CU Phosco Lighting

High Mast Lighting Circuit Diagram

High Mast Lighting Circuit Diagram